リレー素子
- リレー素子
- リレー素子とは
リレー素子は継電器ともよばれ、弱い信号で大きな電力をオン・オフするのが目的です。 リレー素子は機械的な動作でスイッチをオン・オフするため、電圧、電流特性には優れていますが、耐久性・信頼性のは問題があります。
- リレー素子の構造
リレー素子はコイルに電流を流し発生する磁気で、スイッチを吸引してオン・オフを行います。コイルの電流を切ると、スイッチのばねでオフ状態に戻ります。
- 利用例
リレーを利用すると、家庭用の電力100Vを回路でオン・オフできます。下図はその回路例で、乾電池の電力でコイルの電流を制御し、リレーの接点をオン・オフします。

http://www2.ocn.ne.jp/~anfowld3/Elecitel2.html より引用
図で、AC100Vは家庭用電力のコンセントから取り出しますが、100Vは人体にとって危険な電圧になりますから、取り扱いには注意してください。
- リレー素子
- リレー素子の例
リレー素子は主にスイッチ接点の容量(電圧、電流)でサイズが定まります。コイルの電気特性はスイッチのサイズで定まります。一般的に100Vのスイッチのサイズは数cm以上になります。アナログ信号のオン・オフに利用されるリレーはDIP型の
IC とほぼ同じサイズのものがあります。
下図は、オムロン社のG6M-1A型リレーで、250V、3A まで利用できます。
http://www.omron.co.jp/ecb/products/pry/121.html より
コイルの定格は、電圧に応じて各種あります。5V,12V,24V が一般的です。電流はサイズにより異なりますが、5V入力の場合、30mAから80mA程度です。図のG6M-1Aの場合、5Vで24mAです。
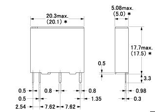
- リレーの構造
リレーの端子は、一般の電子部品のように 2.5m ピッチになっていないものが多いので注意してください。2.5mピッチでないと、基板の穴あけが必要になります。

下図は、端子の配置で1ピント2ピンにコイルが接続されています。5,8 ピンがスイッチの接点です。


http://www.omron.co.jp/ecb/products/pry/121/g6m.html より
仕様では動作時間は10mSで、2000万回の耐久性があります。
- 駆動回路
小型のリレーの場合、コイルの駆動電流は数十mA程度ですから、小型のトランジスタで駆動できます。注意することは、コイルを駆動するため、コイルに逆起電力が発生しトランジスタを損傷する危険性があります。コイルの両端にダイオードを接続し、逆起電力を吸収する必要があります。ダイオードは通常の信号用のダイオードでもかまいません。
