7素子数字表示器
- 概要
- 7素子数字表示素子
7素子表示は、電卓などでおなじみの数字表示機です。棒状の発光体を7本を 日
の字型に組み合せ、適当に点滅させると、0から9の数字を表示することができます。下の図は5と9を表示した例です。5では、a,c,d,f,g
の素子を点灯します。

問題1
0,3,7 を表示するには、どの素子を点灯させますか?
- カソードコモンとアノードコモン
利用する数字表示は、ー側(カソード)が各素子共通になっ手射る場合をカソードコモン、+側が共通になっているタイプをアノードコモン型といいます。
コモンの端子をトランジスタでスイッチすると、複数桁の動的表示ができます。カソードコモンの場合NPN型トランジスタで、アノードコモン型は、制御の極性が逆になりPNP型で切り替えます。
- 3桁カソードコモン
- C-533SR
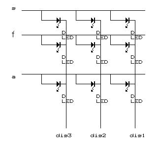
C-533SRは 7素子表示素子が3個内臓されています。ここでは、まず、1桁の表示のみを行い、次の項で3桁の表示法を紹介します。
横線が、a,..,g の各素子に接続されます。各7素子は共通に接続されており、dig3,dig2,dig1の各信号線をGND(0V)に接続すると対応する7素子が発光します。例えば、dig1
の端子をグランド(0V)に接続し、b,c の端子に抵抗を通して電源5Vを接続すれば、1桁に”1”が発光します。

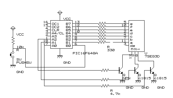
- 回路例
トランジスタによる各桁のスイッチを行います。図の左端のスイッチ計数用でここでは不要です。

- 4桁数字表示
- アノードコモン型4桁数字表示器
ここではアノードコモン型4桁数字表示器を紹介します。別項では、カソードコマン型の3桁の数字表示器を紹介しましたが、同じ構成での4桁表示回路は入手が困難です。ここでは、アノードコモン型の4桁の数字、または、時刻表示用の数字表示器(TLR4115)を紹介します。
- アノードコモン
アノードコモン型は、1桁を表示する7個のLEDの+(アノード)側が共通になっている素子の意味です。

- TLR4115
これは、アノードコモン型の4桁の表示素子です。左の a,..g に表示する値を設定(0で点灯)ます。d1,..,d4 が各桁の制御端子で、+側を接続します。右側は、小数点や時刻表示のため、時と分の間に
: を表示するための LED の接続です。
3,4 が : の表示、1,2,5,7 は少数点の位置に点灯します。1+、1- は各LEDの+側と-側の端子です。6,7は右端に並んで点灯し、時刻表示のAM,PM
の表示にも利用できます。

- 回路例
シフトレジスタを利用して接続
PICと数字表示の4桁の7素子表示を直接接続すると、最低でも7+4本の接続が必要です。そこでシフトレジスタを利用し、7素子のデータをあらかじめシフトレジスタに送りこんでから、桁に対応するトランジスタをオンにして点灯します。シフトレジスタとは、CK(クロック)とA(データ)の2本で接続可能です。この2本に、B1,B2を利用します。B3,B4,B5,B6で各トランジスタを制御します。PICのこの端子を0にすると、トランジスタがオンになり、LEDに+電圧が供給されます。
