ACモータ
- ACモータ
- 動作原理
ACモータはずらして配置したコイルに位相がずれた交流を与えることで、回転磁界を作成し、この磁界で鉄心や磁石の回転子を回転させる方式です。発電機では元々、位相が120度ずれた3相の交流を発電しており、かの各相を単相交流として配電しています。しかし、モータ用には3相交流を配電しており、この場合は、発電機と同じ回転磁界が利用できます。単相給電の場合、ずらして配置したコイルにコンデンサで位相をずらし回転磁界を生成しています。
- ACモータの種類
誘導型(インダクション)モータ
同期型(シンクロナス)モータ
があり、誘導型は、磁界に誘導されて内部の回転子が回転しますが、負荷の大きさで磁界と回転子のズレ量が変化します。誘導型には正転と逆転が切り替え可能なリバーシブルモータがあり、これは、リレーで切り替え可能です。
同期型は、回転子に永久磁石を使用し、電源の周波数に同期させて回転する機構です。
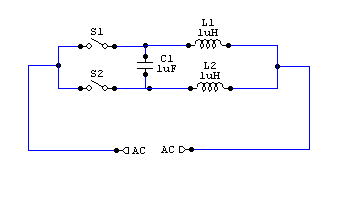
- リバーシブルモータ
- 回転制御
二つのコイルを、コンデンサを介して接続します。コイルの接続方向で回転の向きが変化します。
- 運転回路
下はリバーシブルモータの運転回路です。S1オンで正転、S2オンで逆転します。S1,S2共にオンにするとブレーキとして動作します。スイッチには、半導体リレーが利用されます。

- インバータ制御
- インバーター制御とは
ACモータのパワーや回転速度を制御するためインバーター制御回路が利用されています。インバーターは、逆変換の意味で、元々交流で動作するモータを、直流電源から逆変換して 電圧、電流の異なるAC波形を生成するため、このように呼ばれます。
電圧と電流を変化させるインバータは VVVF(Variable Voltage & Varaible
Freqency) 型と呼ばれます。
- PWMによる疑似3相交流の生成
滑らかな回転には、3相交流波形が望ましいのですが、正弦波の波形を生成するのは困難なので、1周期を5〜20に分割し、各タイミングで波高値に応じたパルス幅を生成する、疑似3層方式がよく利用されます。
(下の波形は http://www2.jan.ne.jp/~jr7cwk/rail/vvvf/vvvf1.html#2 から引用させて頂きました、上の3色が目的とする3相交流波形です。このU波形(ピンク)を幅の異なる5パルスで分割し電力制御します。)

V(黄色),W (青)相の波形

この制御は。マイクロコントローラで可能ですが、パルス制御のため、雑音を生成します。